Je continue la restauration de mon Nordi, et je n'en fini plus de tomber sur des petites ''surprises'' de(s) l'ancien(s) propriétaire(s)
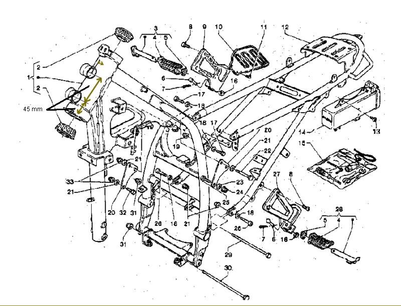
La dernière en date est la découverte, lorsque j'ai voulu monter une tête de fourche d'origine (qui avait bien entendu été remplacée), de l'ablation des deux anneaux situés sur la colone de direction et qui servent à la fixation de la TdF
Aussi, est-ce que l'un d'entre vous pourrais me donner leurs dimensions ainsi que leur position respective (voir ci-dessous) si jamais quelqu'un avait sa tête de fourche démontée, mesures à partir des axes de préférence...

Merci d'avance
